如果您需要任何帮助,请随时与我们联系
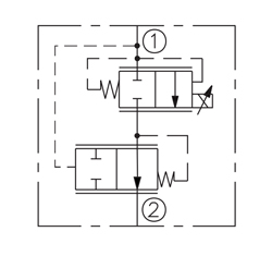
电磁驱动、电气参数可变、2通、压力补偿、阀芯式、断电常闭、比例流量控制阀。
工作压力:油口①:240 bar;油口①:207 bar
调节流量:0-56lpm
内部泄漏:完全关闭时,207 bar压力时0.38lpm
介质:粘度介于7.4~420 cSt (50~2000 sus)的矿物油或具有润滑作用的合成油
阀孔:ZY-VC12-2-B